CVD series-in-line,poppet-type check valve
1.Structure and symbol

| 1 | 2 | 3 | 4 | 5 | |||||||||||||||||||||||||||||||||||
| O-ring | Valve seat | Spool | Spring | valve body | |||||||||||||||||||||||||||||||||||
2. Operation
When pressure at ①rises above the spring bias pressure,the poppet is lifted and flow allowed from ①to② .
The valve is closed(checked)from②to①
2.1 Crack pressure:Standard opening pressure<0.5bar
2.2 Ideal working temperature:NBR:-20Cto+90°C
2.3 Installation:Refer to the torque instructions in 4.Parameters.Note:The body material is carbon steel,and the screwed in parts are steel,For other materials,please contact auerengineers.Please refer to 5.Installation instructions for installation dimensions and tools
2.4 Oil cleanliness:ISO4406:1999 standard 4μM/6μM/14μM19/17/14
2.5Auer provides a damping one-way valve.Please contact Auer's engineer for the size of the damping hole
3. Pressure Drop VS. Flow

4. Data sheet

| CODE | TTHREAD | TTHREAD | L | A | B | C | Flow | W.P | W.T | ||||||||||||||||||||||||||
| [mm] | [mm] | [mm] | [mm] | [/min] | (bar) | (g) | |||||||||||||||||||||||||||||
| CVDB02 | G1/8 | M10X1.0 | 8.0 | 3.9 | Ø5.6 | Ø1.6 | 10 | 400 | 2 | ||||||||||||||||||||||||||
| CVDB04 | G1/4 | M14X1.5 | 10.2 | 5.5 | Ø8.4 | Ø2.2 | 20 | 400 | 5 | ||||||||||||||||||||||||||
| CVDB06 | G3/8 | M16X1.5 | 11.7 | 7 | Ø11.1 | Ø3.0 | 50 | 350 | 11 | ||||||||||||||||||||||||||
| CVDB08 | G1/2 | M22X1.5 | 13.5 | 7.9 | Ø13.5 | Ø3.8 | 80 | 350 | 19 | ||||||||||||||||||||||||||
| CVDB12 | G3/4 | M27X2.0 | 17.1 | 11.5 | Ø16.5 | Ø5.0 | 120 | 350 | 40 | ||||||||||||||||||||||||||
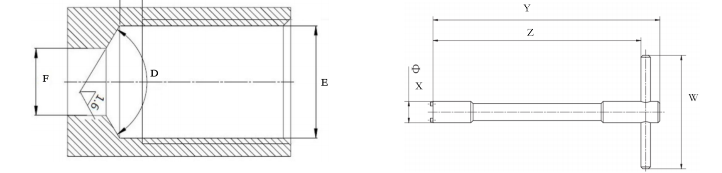
5. Cavity&Tool

| CODE | D | E | F | G | X | Y | Z | w | TORQUE | ||||||||||||||||||||||||||||||
| [mm] | [mm] | [mm] | [mm] | [mm] | [mm] | [mm] | [mm] | (N.m) | |||||||||||||||||||||||||||||||
| CVDB02 | 118 | Ø8.7 | Ø5 | 3 | Ø8.5 | 120 | 110 | 60 | 5 | ||||||||||||||||||||||||||||||
| CVDB04 | 118 | Ø11.6 | Ø7 | 3 | Ø11.3 | 120 | 110 | 60 | 6 | ||||||||||||||||||||||||||||||
| CVDB06 | 118 | Ø15.1 | Ø9 | 3 | Ø15 | 120 | 110 | 80 | 6 | ||||||||||||||||||||||||||||||
| CVDB08 | 118 | Ø18.8 | Ø12 | 3 | Ø18.6 | 120 | 110 | 80 | 10 | ||||||||||||||||||||||||||||||
| CVDB12 | 118 | Ø24.3 | Ø18 | 3 | Ø24 | 120 | 108 | 80 | 15 | ||||||||||||||||||||||||||||||